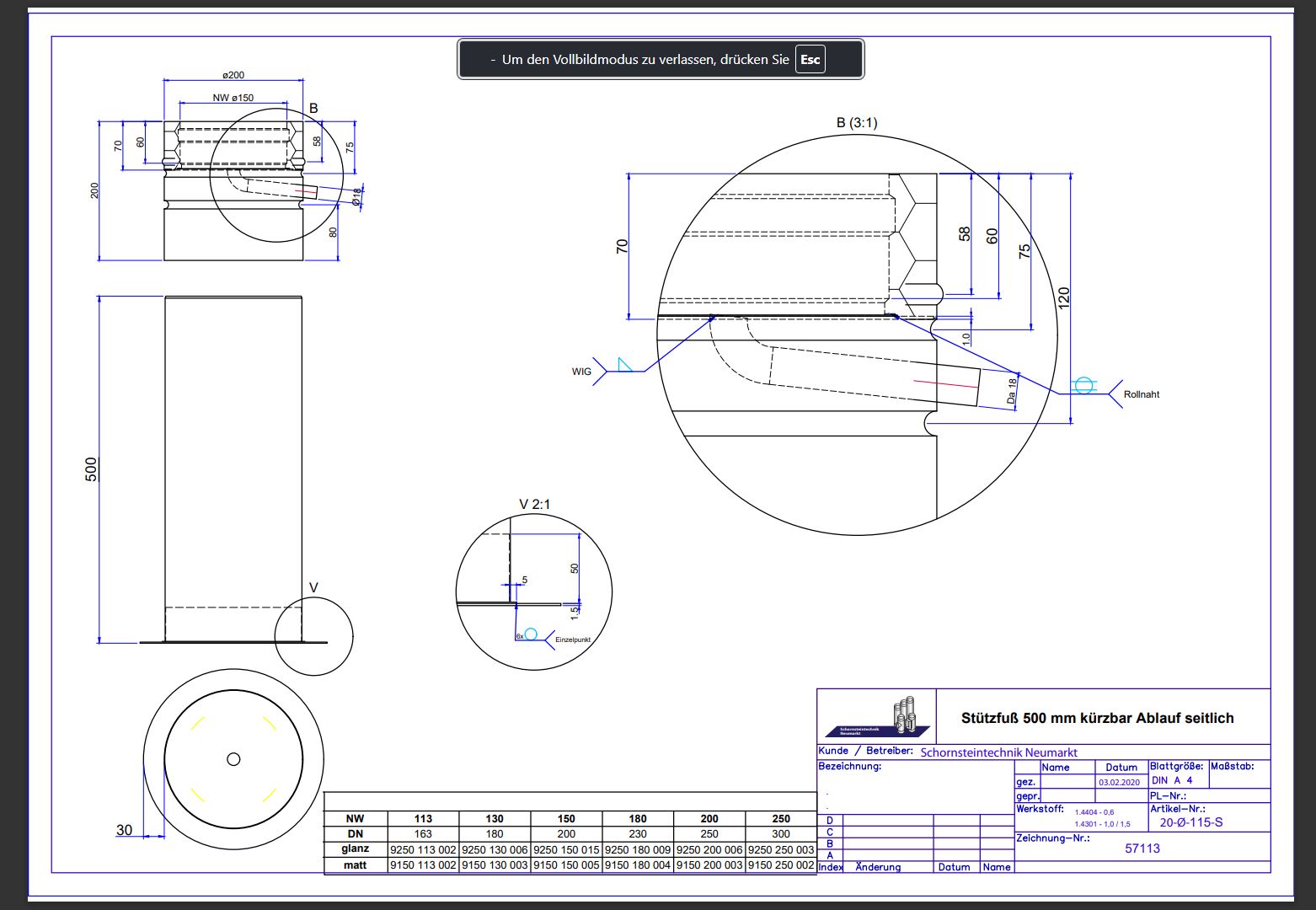
Stützfuß 500 mm kürzbar mit Ablauf seitlich

(0)

Erforderliche Klemmbänder sind im Lieferumfang und Preis enthalten

Größere Durchmesser auf Anfrage erhältlich

  • Verfügbarkeit: Auf Lager ✓
  • voraussichtliche Lieferzeit 8 - 10 Werktage
  • Verfügbarkeit: Nicht vorrätig
  • Artikelnr.: -
256,20 €


Die Montageanleitung DW-Light 2.0 finden Sie hier.


Durch eine konsequente Weiterentwicklung in Qualität und Know-How gibt es jetzt den DW-Light als neue Weiterentwicklung, genannt DW-Light 2.0. 

Der neue DW-Light 2.0 wird wie gewohnt standardmäßig mit dem Außenmantel in Edelmatt geliefert und auf Wunsch auch in Hochglanz ohne Aufpreis.

Die Stecktiefe wird wieder auf 60 mm Einstecktiefe verlängert, was eine höhere Festigkeit der Steckverbindung sicherstellt.

Die Schweißnähte werden nochmals durch Kugelstrahlung nachbehandelt und kontrolliert, die Klemmbänder wie gewohnt mit einem Schnellverschluss geliefert.

Durch die moderne Fertigungsstätten in Deutschland sichern wir einen hohen Qualitätsstandard und Passgenauigkeit. 

Der DW-Light 2.0 ist geeignet für:

• Festbrennstoff, sowie flüssige und gasförmige Brennstoffe

• bis zu 600 °C Abgastemperatur 

• konzipiert für Unterdruck und auch Überdruckanlagen

• gerüstet für modernste Feuerungsanlagen

• fügt sich durch seine matte Oberfläche harmonisch in modernes und klassisches Design ein

 besonders geeignet für Ein- und Mehrfamilienhäuser

Technische Zeichnung Stützfuß 500 mm kürzbar mit Ablauf seitlich

Leistungserklärung DW-Light DoP Ausf. 004

Leistungserklärung DW-Light DoP Ausf. 005 VBL

Pelletzulassung DW-Light


AusführungEdelmatt oder Hochglanz zum gleichen Preis
Durchmesser

113mm, 130mm, 150mm, 180mm, 200mm

(größere Durchmesser auf Anfrage)

Materialart

rauchgasführendes Innenrohr

bei Pellet

Isolierung

Außenrohr


Edelstahl 1.4404/1.4571 (AISI 316L)

Edelstahl 1.4539

Stärke 25 mm

Edelstahl 1.4301

Materialstärke

rauchgasführendes Innenrohr

Edelstahlaußenrohr

bei Pellet (Innenrohr)


0,5 mm

0,5 mm

0,6 mm

Maximale Abgastemperatur
600 °C
Betriebsweise
Unterdruck und Überdruck
Brennstoffe
Öl, Gas, Festbrennstoffe, Pellets
Leistungserklärung
DoP Ausf. 004 DW-Light 2.0 20-02-2020
Betriebsweise
Verbindungsleitung
Leistungserklärung

DoP Ausf. 005 VBL 20-02-2020

nach EN 1856-2:2009-09

Zulassung PelletZ-7.1-3540


Aktuell sind keine Bewertungen für dieses Produkt vorhanden
Menü
Loading...